На чём основан принцип работы домофона для калитки
Использование домофона в частном секторе мало отличается от квартирного варианта. Разницу составляет увеличенное расстояние от панели вызова, расположенной на внешней стороне калитки, до установленного в доме приёмного устройства. Если домофон не оснащён радиосигнальным прибором, это расстояние покрывается электропроводкой. Но оно того стоит.
- Желающий войти нажимает кнопку на вызывной панели, а сигнал вызова передаётся на устройство в доме.
- Хозяин снимает трубку или нажимает кнопку ответа и переговаривается с визитёром. Возможно, даже видит его, при условии наличия функции видео.
- При решении впустить нажимается кнопка «Открыть», блокировка замка на калитке снимается. Если гость незваный – разговор прекращается, а соединение просто разрывается.
В итоге: периметр вокруг дома на замке, и не надо выходить на улицу.
Программирование электронных ключей
При использовании контроллера считывателя ключей имеется возможность «программирования» чипов. Процедуру можно выполнить с помощью, так называемого мастер ключа или путем перевода контроллера в режим программирования с помощью перемычек.
Программирование с помощью матер ключа выполняется следующим образом. Вначале к считывателю подносится мастер ключ. При этом котроллер переводится в режим программирования. После этого к считывателю подносится «программируемый» ключ. В этот момент контроллер запоминает номер ключа. Тем самым «программируемый» ключ поучает разрешение на открытие двери.
Виды домофонов
Существует несколько типов домофонов, которые используются для защиты от непрошеных гостей квартирного или частного здания. В зависимости от вида разнится их подключение:
- Цифровые (Eplutus EP-2297C, Gardi GRD, Hyundai HA-201);
- Координатно-матричные (AVC-305, Commax CDV-DPV-43 MTN, Laskomex).
Цифровые работают по такому принципу: при звонке они передают сигнал по двухпроводной линии, в которой распознается номер подключенной квартиры. В данном случае для сопряжения используются так называемые джамперы, которые по витой сетке передают сигналы к конкретной трубке. Каждая трубка в свою очередь оснащена микросхемами. Очень удобно, что к такому контроллеру можно подключить все квартиры не только в подъезде, но и на конкретном этаже.
Схема подключения домофона координатно-матричного типа более простая надежная, поэтому пользуется большей популярностью. К координатному устройству связи подключен коммутатор, который при вызове переключает сигнал на конкретную трубку. Подключение производится при помощи проводов десяток и единиц, т. е. каждая квартира обозначена двумя кабелями, номера которых не повторяются. Чтобы установить связь, сигнал подается по линии DAT1 к коммутатору. После этого модулятор преображает и обрабатывает полученную информацию и подключается к одной определенной «Единице» и одному «Десятку». После благодаря электромагнитному реле по телефонной линии LIN происходит соединение с определенной квартирой.
Фото — схема подключения модели цифрал
Чаще всего такое соединение параллельное, что значительно облегчает самостоятельный монтаж. Единственное, о чем нужно помнить – это о полярности вызывной панели домофона, электрозамка и трубки квартиры. Если электрическое соединение производится неправильно, то нарушается работа не только конкретного абонента, но и всей охранной системы.
Фото — блок управления домофоном
Правила монтажа домофонов VIZIT
Подключение домофона к телевизору
Те, кто постоянно пользуется телевизором, предпочитают подключать к нему видео домофон. Есть модели приборов, которые имеют специальный видео выход. С помощью специального кабеля соединяют выход устройства и с AVI-вход ТВ. Для хорошего сигнала нужно использовать экранированный кабель.
После нажатия кнопки вызова на панели будет слышен сигнал. Нужно включить канал на ТВ, который выбран для домофона, можно увидеть кто пришел. Для вывода картинки на несколько телевизоров, устанавливают сплиттер. Каждое дополнительное подключение делает более слабым сигнал, поэтому не рекомендуется подключать больше 4 ТВ.

Самостоятельное подключение домофона – это дело для опытного человека, который раньше уже работал с электричеством. Лучше всего обратиться к специалистам, которые знают все нюансы подключения того или иного вида домофона.
Материалы и выбор кабеля
слаботочный кабель КСПВ 4*0,5мм2
Им будет подключаться вызывная панель и эл.механический замок. По нему же будет подаваться питание 12В.
Можно также использовать кабель для видеонаблюдения – КВК.
Но КСПВ удобнее в разделке и подключении. 
Напряжение 12V генерируется самим домофоном. Никаких дополнительных блоков питания в нашем случае ставится не будет.
видеодомофон
вызывная панель к нему
эл.механический замок
блок БУЗ (Блок Управления Замком)
Ошибка №1
Главная ошибка заключается в том, что про видеодомофон вспоминают в самый последний момент.
Уже выложены дорожки, дом снаружи отделан, и только после этого хозяин задумывается, а почему бы мне не сделать удобный звоночек.
Запомните, что данный “звоночек” сопровождается земляными и долбежными работами. Домофон у вас будет находиться внутри дома, а вызывная панель за калиткой, в нескольких метрах от входной двери.
Поэтому монтаж такой системы в частном доме, немного отличается от монтажа в квартире. В многоэтажке эти два устройства разделяет всего одна стена или входная дверь, а в коттедже между ними может оказаться облагороженная территория, в которую вы уже вложили десятки или сотни тысяч рублей.
Поэтому правильно будет все это продумать и заложить соответствующие кабели еще на этапе проектных работ. Не забывайте, что беспроводные аналоги подобных систем стоят в несколько раз дороже.
Основные причины ремонта

И теперь, когда рассмотрен необходимый минимум, чтобы понимать, как подключить видеодомофон к подъездному домофону, рассмотрим основные причины поломок и то, как их ремонтируют. Итак, виды поломок:
- Неработающая трубка. Если у соседей все хорошо и питание также поступает, то скорее всего проблема непосредственно у вас. Однозначно потребуется либо замена конкретного элемента, либо всей трубки — это гораздо быстрее и проще.
- Нерабочий домофон. Если перестали функционировать все элементы, то проблема заключается в питании. И здесь может быть два варианта: либо его перестали подавать, либо сломан персональный блок питания. Во втором случае потребуется полная замена и зачастую ремонт не предусмотрен. В первом же достаточно обратиться в жилищную компанию.
- Сломанный контроллер. Это будет выражено в том, что дверь попросту перестанет открываться. Исправить эту проблему самостоятельно зачастую невозможно, если нет знаний электроники, и потому придется обратиться в ремонтную службу.
Это основные проблемы, с которыми у пользователей зачастую возникают проблемы.
Теперь, когда подробно рассмотрено как установить домофон в частном доме и квартире, базовых проблем, что обычно возникают у новичков, можно избежать. И хотя здесь указано большинство, но не все нюансы, использование информации в качестве справочной вполне допустимо.
Типы домофонов и особенности их устройства
Если раньше практически на каждой двери были установлены глазок и звонок, то сейчас их заменяют таким современным оборудованием, как домофон.
Существует большой выбор устройств, которые отличаются между собой техническими параметрами и другими особенностями.
Классификация домофонов происходит по следующим признакам:
- Количество подключаемых абонентов:
многоабонентные домофоны устанавливают в подъездах, на входах в офисы и другие здания;
индивидуальные — предназначены для установки в квартире или доме.
- Вид связи. По этому параметру оборудование делится на:
аудиодомофоны — при помощи таких устройств с посетителем можно только разговаривать;
- видеодомофоны позволяют не только разговаривать с посетителем, но и видеть его на экране монитора.
- Тип монитора. Этот параметр относится только к видеодомофонам. Экран может быть:
- чёрно-белый;
- цветной.
- Способ монтажа. По типу установки домофоны могут быть:
врезными или встраиваемыми в стену, при этом её глубина должна быть порядка 4–10 см;
- навесными, такие модели монтируются на стену.
Кроме этого, видеодомофоны отличаются по размеру экрана. Если у самых дешёвых моделей размер экрана всего 3,5”, то у дорогих моделей он составляет 10”, но может быть и больше. Существует отличие и по количеству видеокамер. Домофон может иметь как одну, так и несколько видеокамер, что позволяет получать обширный обзор и более качественную картинку. Оборудование может также быть проводным или беспроводным, в котором внешний и внутренний блок связаны между собой только радиосигналом.
Особенности устройства
По типу устройства аудио и видеодомофоны отличаются между собой, но по остальным параметрам они практически одинаковы.
Аудиодомофоны
Такое оборудование является бюджетным, поэтому обычно устанавливается в подъездах многоквартирных домов. Стоимость аудиодомофона невысокая, так как он имеет ограниченный набор функций:
- оповещение владельца дома о приходе посетителя;
- переговоры с посетителем;
- разблокировка электрозамка.
В состав бюджетного аудиодомофона входят:
- Уличный блок, который состоит из:
- кнопки вызова;
- микрофона;
- громкоговорителя.
- Внутренний блок состоит из:
- телефонной трубки;
- базы, в которой есть место для крепления трубки и кнопка разблокировки замка;
блока питания.
Если говорить о преимуществах таких устройств, то это будет дешевизна, простота конструкции и лёгкость использования. Основной недостаток в том, что вы не можете видеть посетителя, а это снижает уровень безопасности системы.
Видеодомофоны
Домофон с видеосистемой является современным оборудованием, которое имеет много дополнительных функций, повышающих безопасность охранной системы.
Видеодомофон имеет следующее устройство:
- наружная панель — состоит из кнопки вызова, видеокамеры, переговорного устройства;
внутренняя панель — включает в себя монитор, кнопку для открывания замка, переговорное устройство.
- вызывная панель должна быть из прочного материала и надёжно защищена от повреждений. Кроме этого, вызывная панель, устанавливаемая на улице, должна иметь высокий уровень влагозащиты, не меньше IP66. Более надёжными являются панели, не имеющие механических переключателей, но сенсорные устройства чаще повреждаются вандалами;
- тип установленной видеокамеры. Если в ночное время нет постоянного освещения, то покупать домофон с цветной камерой нет смысла. В таком случае чёрно-белая камера будет передавать более качественное изображение;
монитор, при его выборе надо учитывать параметры используемой видеокамеры. Если камера выдаёт 0,5 Мpx, то не стоит для неё приобретать устройство с экраном высокого разрешения;
- вывод видеосигнала, Очень удобно, когда есть возможность вывести видеосигнал на телевизор или компьютер;
- наличие встроенного датчика движения. Он позволяет включать камеру на запись во время приближения посетителя;
- диапазон температур, в котором может работать домофон. Учитывайте, что внешний блок обычно устанавливается в неотапливаемых помещениях или на улице, поэтому он должен выдерживать как высокие, так и низкие температуры;
- совместимость с другими устройствами. Если домофон подключают к многоабонентной системе, он должен быть совместим с имеющимся оборудованием.
Основные схемы подключения домофонов
Для начала выбирают из имеющихся оптимальную схему. В многоквартирном доме схема сложнее, чем в частном.
В многоквартирном доме
Схема подсоединения зависит от вида домофона – координатного или цифрового. Подъездный прибор устанавливают специалисты, делая разводку по этажам. Они же подсоединяют индивидуальные домофоны.
Цифровой домофон
Это дорогостоящий прибор, который пользуется меньшей популярностью в сравнении с аналоговыми видами. Он дает возможность одновременно обслуживать не больше 255 абонентов.
Двухжильный кабель проводят по стояку подъезда. К нему идут квартирные домофоны. Программирование номера квартиры осуществляется с помощью микросхемы внутри трубки. На нее устанавливают джамперы либо перемычки, которые и кодируют номер. Код квартиры соответствует замкнутым перемычкам на цифровой панели. Обязательно четко соблюдают полярность.
К примеру: для подключения домофона перемыкают джамперы, сумма которых соответствует номеру квартиры. Если номер 36, то соединяют перемычки 32, 2, 2.
Иногда домофоны оснащены встроенным блоком сопряжения. При его отсутствии при подключении дополнительно используют модуль сопряжения МСЦ. Он согласовывает работу домофона в подъезде и видео прибора в квартире. Этот блок совместим с моделями разных производителей. Но могут быть и некоторые ограничения.
Процесс подсоединения состоит в подключении к модулю 2 проводов от кабеля видео домофона и подъездного устройства. Адаптер оснащен выходами для камеры и панели вызова.
Плюс цифрового домофона – богатый набор функций.
Координатный домофон
Его используют чаще, так как при поломке прибора у одного абонента система у других будет работать. Подсоединение выполняют по схеме, работающей по принципу телефонной автоматической станции. Обязательно присутствует коммутатор. Для подключения к нему используют 2 шины: на первой контакты соответствуют единицам (Е0…Е9), на второй – десяткам (D0…D9). К примеру, для подключения квартиры №54, нужно минусовой провод подсоединить к клемме E4, а плюсовой – к D5.
Когда номер квартиры выше 80, делают перепрограммирование и смещение номеров. Для подсоединения домофона надо знать число смещения.
Для подключения координатного домофона используют модуль сопряжения МСК. Его подключение аналогично МСЦ. Здесь тоже нужно придерживаться полярности, иначе прибор не будет нормально работать.
Для подъезда с малым количеством квартир оптимален аналоговый домофон с встроенным коммутатором. Можно сразу подключать квартиры к вызывной панели, что существенно облегчает установку трубок.
Плюс такой системы – пользовательские трубки разных фирм взаимозаменяемы.
Беспроводной домофон
В этом случае кабель для контакта внутреннего блока и панели вызова не нужно. Монтаж проводится быстрее и легче. В зависимости от модели дальность действия доходит до 100 м. При расчете нужно учитывать расстояние между панелью вызова и трубкой, толщину стен и иные преграды, которые могут создавать помехи.
В процессе монтажа в многоквартирном доме панель вызова устанавливают около двери квартиры, в коттеджах – около калитки. Крепят ее на высоте 1.5-1.6 м. Если есть замок, то его тоже крепят к двери, а управление подсоединяют к домофону. Дисплей с трубкой в квартире устанавливают в удобном для пользователя месте.
Плюс беспроводного домофона – установка в любой части помещения. Для увеличения дальности функционирования можно использовать направленную антенну.
С электрическим замком
Это самый распространенный вариант. Замок и домофон подключают вместе, что дает возможность открывать замок с помощью кода, кнопки на панели вызова и электронного ключа. К внешнему блоку от наружного при установке аудио домофона ведет 3-жильный кабель. Для подсоединения видео домофона применяют 4-жильный кабель.
При подключении домофона нужно учитывать, что вызывная панель питается от внутренней панели, а последняя – от 220В.
Без замка
Самый простой способ. Внутренний и внешний блоки соединяются между собой двумя 2-жильными или 4-жильным проводом. По двум проводам подается видео и аудио сигнал, а по остальным – питание. Домофон без электрического замка стоит подключить, если удобно выходить постоянно на улицу и открывать дверь. Желательно устанавливать домофон с замком, которым управляют нажатием кнопки, при этом не выходя из дома.
Устройство и особенности подключения видеодомофона
Для подключения видеодомофона понадобится кабель с четырьмя жилами. В магазине можно приобрести специальный провод, где две медные жилы расположены рядом с коаксиальным двухжильным проводом. Он называется комбинированным видеокабелем. Обычно используется кабель марки КВК-П 2х0,75.
Подключение видеодомофона к вызывной панели производится комбинированным видеокабелем, который имеет одну экранированную жилу
Для замка добавляется ещё два провода, которые позволят управлять его механизмом не выходя из дома. Панель вызова обычно прикручивается на высоте 150 см от земли.
Если мы будем устанавливать беспроводной домофон, прокладывать и подсоединять кабель необходимости нет. Надо только правильно подвести питание.
Видеодомофон Quantum QM-4HP
Многие предпочитают устанавливать в своём частном доме удобный, практичный и надёжный видеодомофон Quantum QM-4HP.
Quantum QM-4HP является одной из самых популярных моделей среди владельцев частных домов
Его основные характеристики:
- четырёхдюймовый (примерно 10 см по диагонали) CRT монитор;
- параллельная работа до 4 мониторов в одной системе;
- кнопка открывания двери;
- подключение одной вызывной панели;
- установка блока видеопамяти;
- подключение дополнительной аудиотрубки.
Схема подключения видеодомофона Quantum QM-4HP
Видеодомофон подключается по стандартной четырёхпроводной схеме, которую мы описывали выше. Поэтому эту модель можно использовать для установки системы контроля доступа в частном доме по приведённой нами пошаговой инструкции.
Видеодомофон Quantum QM-4HP можно использовать с дополнительной видеокамерой и блоком памяти на 32 кадра
Для того чтобы установить домофон правильно, необходимо точно следовать всем рекомендациям производителя и разбираться в тонкостях монтажа электрических проводов и устройств. Если всё сделать по инструкции, то не придётся привлекать специалистов и тратить дополнительные средства на установку этого устройства. А в итоге вы получите отличный домофон с аудио- или видеосистемой, который существенно облегчит вам жизнь в частном доме.
Для тех, кто живет в собственном доме, вполне понятна ситуация, когда кто-то пришел и стучится в калитку, а понять, кто именно – не представляется возможным. Или другая ситуация – пришли долгожданные гости, а выйти открыть калитку довольно затруднительно. В такой ситуации на помощь домовладельцам и приходит видеодомофон на калитку. Применение домофона способно обеспечить не только высокий уровень безопасности жильцов, но и надлежащий уровень комфорта, а в случае опасности – определенное время противостоять злоумышленникам (скажем, до момента приезда милиции).
Как выбрать
У пользователя, принявшего решение установить на калитку домофон, есть два варианта решения проблемы:
- приобрести готовый комплект, в составе которого присутствуют все необходимые компоненты;
- набрать комплект из отдельных устройств.
Видеодомофоны на калитку различают по числу субъектов, которые используют устройство
Первый вариант используется чаще всего, так как он позволяет сразу получить все необходимое для установки. Единственной проблемой здесь может стать цена вопроса — стоимость большинства готовых комплектов находится в диапазоне от 10 000 до 30 000 ₽, но есть и более дорогие варианты.
Однако специалисты рекомендуют собирать комплект по отдельности. Во-первых, это позволит выбрать некоторые компоненты исходя из собственных предпочтений и потребностей, а во-вторых — можно собрать систему не торопясь и не вкладывая сразу большую сумму денег.

Одним из важнейших моментов является правильный выбор вызывной панели. Она находится на улице, что выдвигает к ее конструкции и качеству максимальные требования
Надо обратить внимание на материал и толщину панели, учесть ее рабочие характеристики. В первую очередь, необходимо посмотреть на тип защиты — он обозначается буквами IP и двумя цифрами
Первая обозначает степень защиты от пыли, вторая — от влаги. Для условий улицы подойдет тип IP55 и выше.
Пользователь может самостоятельно выбрать переговорную панель
Обратите внимание! Кроме этого, надо рассмотреть тип защиты от механических повреждений. Он обозначается буквами IK и одной цифрой — индексом
Для домофона на улице подойдет значение от 5 до 7 (всего существует 10 степеней защиты от повреждений).
Общение через видеодомофон
Если имеется видеокамера, необходимо проверить ее параметры. Минимальные показатели:
- матрица — 0,3-1 Мп;
- угол обзора — 70-90°;
- инфракрасная подсветка зоны обзора до 1 м.

Выбирая замок, многие пользователи предпочитают электромагнитные модели. Однако специалисты рекомендуют предпочесть электромеханический замок. Его придется периодически смазывать, но наличие ригеля не позволит сорвать его, как это нередко делается с электромагнитными моделями.
KRF Fass steel
Дори-4
Atis lock SS CK
Atis Lock B
FZB AX071
VIRO V09 BS50мм
Кроме того, при внезапном отключении электропитания калитка останется закрытой, что очень важно — хозяев в этот момент может не оказаться дома, и злоумышленники получат возможность свободно проникнуть на частную территорию. При выборе охранного оборудования учитывают полезные критерии и популярность моделей
Сергей Свистунов
Строитель со стажем, редактор информационного портала Zaborchik.com
Есть аккумуляторы автономного питания, но они способны решить вопрос только при кратковременном отключении — емкости аккумулятора редко хватает на пару часов (обычно от 15 до 30 минут)
Помимо инфракрасной, часто имеется и светодиодная подсветка, которая задействуется в ночное время. Она должна обеспечивать нормальную съемку на расстоянии 50 см от объектива (можно и больше, это минимальный показатель).
— Сергей Свистунов Строитель со стажем, редактор информационного портала Zaborchik.com
При выборе охранного оборудования учитывают полезные критерии и популярность моделей
Сергей Свистунов
Строитель со стажем, редактор информационного портала Zaborchik.com
Есть аккумуляторы автономного питания, но они способны решить вопрос только при кратковременном отключении — емкости аккумулятора редко хватает на пару часов (обычно от 15 до 30 минут). Помимо инфракрасной, часто имеется и светодиодная подсветка, которая задействуется в ночное время. Она должна обеспечивать нормальную съемку на расстоянии 50 см от объектива (можно и больше, это минимальный показатель).
— Сергей Свистунов Строитель со стажем, редактор информационного портала Zaborchik.com


Для чего необходимо устанавливать домофон в частный дом
Главная задача, которую должен выполнять домофон, — обеспечивать безопасность владельцев дома и ограждать их от посторонних визитёров
Очень важно иметь аудио- или видеодомофон, если в доме живут пожилые люди или находятся маленькие дети, которые больше всего нуждаются в максимальной степени защиты. Наличие домофона поможет оградить людей от опасности, которая может появиться по причине излишней беспечности. Установка видеодомофона в частном доме помогает обеспечить безопасность жильцов за счёт полного контроля над зоной перед воротами
Установка видеодомофона в частном доме помогает обеспечить безопасность жильцов за счёт полного контроля над зоной перед воротами
Благодаря домофону вам не придётся выходить из дома и идти через весь двор к калитке для того, чтобы посмотреть кто пришёл, так как вы сможете пообщаться с визитёром по аудио- или видеосвязи и при необходимости пропустить его, нажав кнопку на своём устройстве.
Но прежде чем приобретать такое устройство, необходимо точно определиться, для каких целей оно будет использоваться и какую сумму вы готовы потратить на свою безопасность. Именно поэтому каждый человек должен знать, какие типы домофонов существует в настоящее время, какие функции они выполняют, какие виды замков существуют для данных устройств и сколько всё это оборудование стоит
Также очень важно знать, можно ли при необходимости установить домофон в частном доме своими руками
Особенности монтажа домофона в коттедже
В отличие от квартир многоэтажек, установка видеодомофона в загородном доме имеет ряд особенностей. Как правило, в квартире вызывная панель домофона и приемный блок монтируются по разные стороны стены, в которую встроена дверь. Расстояние, которое разделяет эти два модуля, минимальное.
Структура домофонной системы для частного дома
В коттеджах все обстоит совсем иначе – видеофон размещается внутри дома, в коридоре или одной из комнат, а вызывная панель устанавливается за входной калиткой, забора, который огораживает территорию, прилегающую к дому.
Вызывающая панель крепится с внешней стороны самой калитки или возле нее. Когда приходит посетитель, он с помощью соответствующей клавиши делает вызов на внутренний модуль, через который владелец дома сможет узнать, кто пришел к нему в гости.
Таким образом, домофон будет работать, если верно произведен монтаж, а его можно выполнить, только в случае заблаговременного прокладывания кабелей от вызывной панели к внутреннему видеодомофону. Именно через кабель будет подаваться питание к панели и обеспечиваться двусторонняя связь между гостем и владельцем.
Важно знать
В домофонах для коттеджей может присутствовать такая полезная функция, как удаленный электрический замок. Она заключается в том, что владелец, решив впустить к себе в дом гостя, не будет бежать к калитке, чтобы открыть дверь, а сделает это дистанционно, используя функцию удаленного замка.
Особенно полезна эта функция, когда на улице идет дождь и выходить для открытия калитки совсем не хочется
Для того чтобы ее использовать, важно заблаговременно проложить все требуемые кабеля
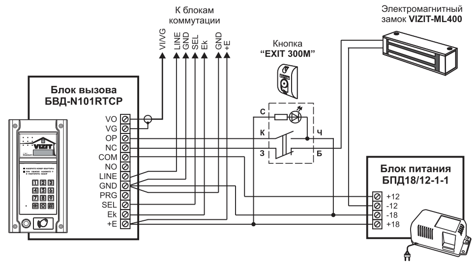
Схема подключения домофона с электрозамком
Таким образом, чтобы не портить дизайн только что отремонтированного или построенного коттеджа для установки домофона, важно изначально предусмотреть его использование и вывести все нужные электрические кабеля
Ошибки при прокладывании кабеля к вызывному модулю
Даже если о домофоне вспомнили и проведи к калитке кабель, не всегда это делается правильно. Очень часто, строители, которые занимались постройкой здания или его ремонтом, выводят к калитке кабель в пластиковой трубе, забыв его закапировать. Этот процесс предусматривает герметизацию концов кабелей, которые прокладываются на улице.
Делают это для того, чтобы исключить процесс попадания влаги внутрь кабеля. Если это произойдет, то медь начнет окисляться, что ухудшает ее электрические характеристики и даже может вызвать замыкание проводников. Кроме этого, кабель имеет свойство набирать влагу, которая под воздействием капиллярных процессов проникает между внешней и внутренней изоляцией.
Подключать домофон таким кабелем нельзя, да и опасно. Это может вызвать как повреждение самого устройства, так и короткое замыкание кабеля, который потом придется менять, а это также дополнительные работы, новый ремонт и новые растраты.
Процесс установки домофона в загородном доме
Еще одной ошибкой, которую совершают мастера, незнакомые с особенностями подключения домофона является то, что к вызывной панели выводятся провода, которые не имеют маркировки.
Что важно помнить
- правильно установить домофон без предварительно согласованного проекта практически невозможно;
- проектировать систему видеодомофона нужно на начальных этапах строительства коттеджа;
- заказчик должен определиться с функциональными особенностями и моделью домофона (наличия электронного дистанционного замка, подсветки вызывной панели и пр.);
- заказчик должен определиться с местом монтажа вызывной панели и внутреннего модуля видеодомофона;
- под конкретный тип домофона следует прокладывать соответствующие кабеля (выполняется эта процедура на ранних этапах строительства дома);
- проложенный кабель следует надежно герметизировать, чтобы он не набрал в себя влаги до того момента, как будет осуществляться его подключение.
Заключение
Подытожив всю выше представленную информацию, можно сделать выводы, что исключить проблемы монтажа домофонов в коттеджах позволит своевременное проектирование этой системы и заблаговременное правильное прокладывание электрических кабелей. Если это не реализовать, то решить проблему можно будет только посредством, прокладыванию нового кабеля.
Этот процесс повлечет за собой рытье траншеи возле дома для кабеля, проделывание отверстий в стенах и калитке для его ввода. Все это лишние затраты как в финансовом плане, так и в плане потребности в большом количестве свободного времени.
Еще одним вариантом исправить ситуацию может быть установка нового домофона – беспроводного. Правда, эти модели стоят существенно дороже кабельных устройств.
Устройство дверного звонка электронного типа
Все электронные дверные звонки состоят из нескольких частей: внешней и внутренней. Внешняя часть электрозвонка представлена нажимным механизмом (кнопкой), размещенным за пределами жилища. Внутренняя часть представляет собой приемник с транслятором звукового сигнала. Связь между блоками электрозвонка выполняется через провода.
Устройство дверного звонка электронного типа
Дверные звонки могут быть с одним или несколькими приемниками, расположенными в разных комнатах квартиры или дома. Нередко дополнительные приемники размещают в пристройках (летних кухнях, гаражах). Такое решение повышает эффективность звонка, позволяя слышать его сигнал, находясь вдали от входной двери. Кроме того, существуют и звонки с несколькими кнопками. Отдельно выделяют звонки для животных. На таких звонках сигнал на приемник подается с ключа, расположенного на ошейнике животного, и повторяется до тех пор, пока хозяин не откроет дверь. Радиус действия такого звонка, как правило, составляет не более 95 м.
Как установить
Правильный монтаж – залог безопасности территории и долгой эксплуатации устройства. При наличии навыков и инструментов видеодомофон на калитку можно установить самостоятельно. В комплекте с оборудованием часто идет подробная инструкция для конкретной модели, поэтому рассмотрим общий принцип работы.
Вызывную панель ставят на внешней стороне забора. Профессионалы советуют монтировать деталь рядом с замком. При установке на металлическую дверь, корпус защищают изолирующим материалом (резиной, пластиком). Во время процедуры обязательно учитывают угол обзора техники. Чем выше параметр, тем больше возможностей при монтаже видеодомофона. В качестве креплений используют кронштейны и саморезы.

Технология монтажа видеодомофонаИсточник diesel.elcat.kg
Для работы проводных моделей прокладывают кабель. Если шнур пускают по воздуху, то элемент нужно оградить от солнца и осадков гофрой. При установке по забору или стене провод прячут в кабель-канал. При укладке под землей деталь дополняют металлической защитой от случайных повреждений. Глубина траншеи – 70 см. Все открытые участки на калитке должны быть недоступны со стороны улицы.

Монтаж домофона на калиткуИсточник forter.com.ua
Блок управления видеодомофона устанавливают в удобном месте дома. Если точка одна, тогда рекомендуем повесить возле входной двери. При использовании нескольких внутренних устройств остальные элементы ставят в комнатах, в которых часто находятся.
Ошибка при подключении видеодомофона к электричеству приводит к поломке охранного оборудования. При монтаже надо точно соблюдать требования, указанные в инструкции к модели. После сборки проверяют работоспособность замка, кнопки вызова и угол обзора камеры.
Как установить домофон в частном доме.








































